Система смазки двигателя—комбинированная (рис. 19). Под давлением смазываются коренные и шатунные подшипники, подшипники распределительного и балансирного валов, толкатели и валики коромысел; остальные детали — разбрызгиванием. От масляного насоса масло подается в переднюю опору и через передний коренной подшипник и полость вдоль переднего конца коленчатого вала в центробежный маслоочиститель. Очищенное масло по внутренним полостям болта маслоочистителя и коленчатого вала поступает на смазку трущихся поверхностей и в масляный радиатор.

Рис. 19. Схема смазки двигателя: 1—редукционный клапан масляного насоса; 1—масляный насос; 3—продольный масляный канал от масляного насоса; 4— маслоприемник с фильтром грубой очистки; 5—поддон картера; 6—маслоизмеритель; 7.—поперечный масляный канал от масляного насоса; а полость центробежного маслоочистителя; —крышка центробежного маслоочистителя; 10 поперечный масляный канал подачи очи-щенного масла; //—вертикальный канал подвода масла к распределительному валу; 12—маслозаливная горло-вина; 13—датчик давления масла; 14— вал балансирного механизма; 15— распределительный вал; 16— головка цилиндров; //—продольный канал подвода масла к толкателям; 18— маслосливная трубка; 19— валики коромысел; 20— штуцержиклер подвода масла к радиатору; 2/— масляный радиатор; 22— канал слива масла из радиатора; 23— продольный канал подвода очищенного масла к коренным подшипникам'. 14— поперечный канал подвода масла к коренным подшипникам; 25— вертикальный канал от масляного насоса; 26— каналы подвода масла к шатунным шейкам; 27—канавки в коренных подшипниках
Масляный насос (рис. 20)—шестеренного типа, смонтирован в отдельном корпусе 9 из магниевого сплава, который закреплен по внутренней полости картера коленчатого вала двумя болтами. Редукционный клапан — шариковый, выполненный в корпусе масляного насоса, срабатывает при давлении в масляной системе 5,5...7,5 кгс/см2; в эксплуатации не регулируется.
Центробежный маслоочиститель (см. рис. 19) является фильтром тонкой очистки масла. До него масло очищается только сеткой приемника масла. Чугунный корпус центрифуги установлен на носке коленчатого вала. Фиксируется на шпонке и крепится вместе с маслоотражателем специальным болтом.
Крышка изготовлена из алюминиевого сплава, одновременно она используется как шкив привода вентилятора. Крепится крышка к корпусу шестью болтами через паронитовую прокладку. Для предотвращения неправильной установки меток «ВМТ» и «МЗ», нанесенных на крышке, относительно корпуса, одно из шести отверстий (обозначено меткой) смещено (рис. 21). В крышку ввернут храповик для проворачивания коленчатого вала вручную.
В процессе работы двигателя за. счет центробежных сил от масла отделяются твердые частицы и оседают на стенках корпуса и крышки.

Рис. 20. Масляный насос в сборе: 1 — стопорное кольцо; 2 — прокладка; 3 — ведомая шестерня; 4 — ось ведомой шестерни; 5 — сегментная шпонка; 6 — ведущий валик; 7 — ведущая шестерня; 8 — крышка; 9 — корпус; 10 — пробка; 11 — прокладка пробки; 12 — пружина; 13 — шарик редукционного клапана
Рис. 21. Установочные метки на крышках центробежного маслоочистителя и распределительных шестерен: 1 — корпус центробежного маслоочистителя; 2 — крышка распределительных шестерен; 3 — крышка центробежного маслоочистителя;
а—выступ на корпусе центробежного мас-лоочистителя, указывающий положение ВМТ первого цилиндра; х—х — ось смещенного отверстия для правильной установки крышки центробежного маслоочистителя на корпус.
Маслоприемник состоит из колпака с сеткой и маслоподводящей трубки с фланцем. К масляному насосу маслоприемник крепится болтом. Уплотнение достигается резиновым кольцом.
Масляный радиатор (рис. 22) установлен в развале Цилиндров и включен в систему смазки параллельно, через калиброванное отверстие в штуцережиклере. Радиатор представляет собой паянные медью в защитной среде секции 2, штампованные из тонкой листовой стали, в которых установлены для улучшения отвода тепла завихрители 3, а между секциями установлены гофры 4. Проставка 5 радиатора — штампованная, выполнена из листовой стали и является основной несущей деталью. К ней припаяны ограничительные тарелки 6 и трубки 8, на которые надеты уплотнительные резиновые кольца.
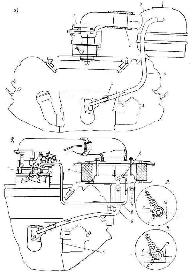
Вентиляция картера двигателя МеМЗ-968Н мощностью 40 л. с.—закрытая (рис. 23,а). Картерные газы из крышки 5 распределительных шестерен через трубку 4 отсасываются в неочищенную полость воздушного фильтра 2.
Вентиляция картера двигателя МеМЗ-968Г мощностью 45 л. с. также закрытая (рис. 23,6). Картерные газы из крышки 5 распределительных шестерен отсасываются через трубку 9 в очищенную полость фильтра 2. Из воздушного фильтра 2 картерные газы отсасываются карбюратором / через горловину и дополнительно золотниковым устройством 10 дроссельной заслонки карбюратора через трубку 8. Маслоотражатель 6, установленный в маслоуловителе воздушного фильтра, способствует конденсации масляных паров. Собравшееся масло в маслоуловителе фильтра стекает через сливную трубку 7 в картер двигателя. Показанное на рис. 23,6 устройство вентиляции картера позволяет регулировать количество отсасываемых из картера газов в зависимости от режима работы двигателя.

Рис. 22. Масляный радиатор: 1 — крышка; 2 — секция радиатора; 3 — завихритель; 4 — гофры; 5 — проставка; 6 — ограничительная тарелка: 7 — уплотнительное кольцо; 8 — трубка
При работе двигателя с малой частотой вращения коленчатого вала и на малых нагрузках золотник 10 карбюратора лишь частично открывает перепускные отверстия и обеспечивает отсос небольшого количества картерных газов. С открытием дроссельной заслонки золотник 10 открывает отверстие полностью, увеличивая отсос картерных газов.
Буквами на рисунке обозначено: А — дроссельная заслонка закрыта; В — дроссельная заслонка открыта; с — верхняя полость золотника отсоса картерных газов в карбюратор; d — нижняя полость золотника отсоса картерных газов в карбюратор.
Контроль за работой системы смазки осуществляется с помощью датчиков давления и температуры масла. Датчик ММ-111Д аварийного давления масла—мембранного типа, сраба-тывает при падении давления в системе до 0,4...0,8 кгс/см2
Сигнализатором давления является лампочка, установленная на щитке приборов. При включении зажигания лампочка аварийного давления загорается, после пуска двигателя гаснет. Горение лампочки на рабочих режимах указывает на неисправность датчика или двигателя. В таких случаях дальнейшая эксплуатация до обнаружения и ликвидации неисправности недопустима.
Рекомендуется периодически вывертывать датчик и проверять давление масла по контрольному манометру. Давление масла при частоте вращения коленчатого вала 3000 об/мин и температуре плюс 80°С должно быть не менее 2 кгс/см2.
Датчик ТМ-100А температуры масла установлен в передней части поддона картера. Указатель температуры масла размещен на щитке приборов и указывает температуру масла в картере двигателя. Рабочая температура масла 65...110°С, максимально допустимая 120°С.
Уровень масла контролируют маслоизмерителем. Во время эксплуатации уровень масла в картере двигателя следует поддерживать между рисками, нанесенными на маслоизмерителе.

Рис. 23. Схема отсоса картерных газов:
а — на двигателе 29,4 кВт (40 л. с.); б — на двигателе 33 кВт (45 л. с.);
1 — карбюратор; 2 — воздушный фильтр; 3 — трубы от воздушного фильтра к карбюратору; 4 — трубка отсоса картерных газов: 5 — крышка распределительных шестерен; 6 — маслоотделитель; 7 — сливная трубка в картер двигателя; 8 — трубка отсоса картерных газов из воздушного фильтра в карбюратор; 9 — трубка отсоса картерных газов в фильтр: 10 — золотник карбюратора
